Запасные части ЧТЗ Запасные части ЧТЗ
Донецк
Например:
Актобе
Алдан
или
Выбрать автоматически
Актобе
Алдан
Алматы
Алчевск
Архангельск
Астана
Астрахань
Атырау
Баку
Балашиха
Барнаул
Белгород
Бердянск
Бишкек
Владивосток
Владикавказ
Воркута
Воронеж
Горловка
Грозный
Донецк
Екатеринбург
Иваново
Ижевск
Иркутск
Казань
Калининград
Каменск-Уральский
Караганда
Каховка
Кемерово
Киров
Комсомольск-на-Амуре
Костанай
Краснодар
Красноярск
Красный луч
Ленск
Луганск
Магадан
Магнитогорск
Макеевка
Махачкала
Мелитополь
Минск
Мирный (Якутия)
Москва
Мурманск
Нерюнгри
Нижневартовск
Нижний Новгород
Нижний Тагил
Новая каховка
Новокузнецк
Новосибирск
Новый Уренгой
Норильск
Ноябрьск
Нур-Султан
Омск
Оренбург
Ош
Павлодар
Пермь
Петрозаводск
Петропавловск
Петропавловск-Камчатский
Псков
Ростов-на-Дону
Салехард
Самара
Санкт-Петербург
Саратов
Севастополь
Семей
Симферополь
Сочи
Ставрополь
Сургут
Сыктывкар
Тараз
Ташкент
Токмак
Томск
Тында
Тюмень
Ульяновск
Усинск
Усть-Каменогорск
Уфа
Хабаровск
Ханты-Мансийск
Херсон
Челябинск
Чита
Шымкент
Экибастуз
Энергодар
Южно-Сахалинск
Якутск
Ваш город
Донецк
Войти
Запасные части к тракторам на одном сайте
Отправить заявку


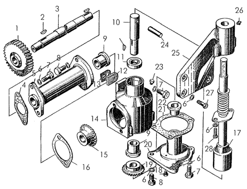
Механизм ручного вращения коленчатого вала пускового двигателя на Т-170


/
с НДС 20%
Описание
Механизм ручного вращения коленчатого вала пускового двигателя Т-170
Поз.НаименованиеАртикулКол-во в сборке
0Корпус17-74-199СП1
0Корпус17-74-197СП1
0Кронштейн17-74-198СП1
0Механизм проворачивания вала пускового двигателя 17-74-8СП1
0Устройство ручного запуска 16-74-1СП1
1Шестерня17-01-221
2Шпонка 341261
3Валик17-74-2571
4Прокладка700-40-67631
5Кронштейн17-74-2841
6Шайба10ОТ65Г095
7БолтМ10Х25.58.0195
8БолтМ10Х20.58.0191
9Втулка17-74-2831
10Валик17-74-2821
11Сальник 40251сп1
12Прокладка700-40-31101
13Прокладка700-40-310910
14Корпус17-74-2801
15Шестерня741161
16Прокладка 409571
17Валик 16-74-101СП1
18Пробка371-12
19Шестерня741231
20Опора741201
21Прокладка 409561
22Втулка74121-11
23Пробка371-12
24Палец741241
25Кронштейн 51-74-11
26Масленка 1.3.Ц61
27БолтМ10Х30.58.0194
28БолтМ10Х22.58.0192
Механизм ручного вращения коленчатого вала пускового двигателя